INDUSTRIĀLIE OBJEKTI
INDUSTRIĀLIE OBJEKTI
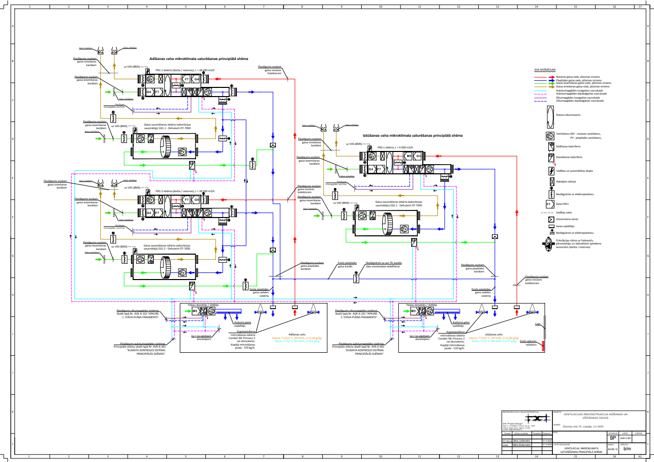
Industriālo ēku AVK, SM tehniskie risinājumi:
Apkure
• Radiatori;
• Siltās grīdas;
• Gaisa apstrādes iekārtu pieplūdes gaiss ar recirkulācijas sekcijām;
• Silpaneļi;
• Sildventilatori.
Ventilācija
• Modulāras gaisa apstrādes iekārtas ar siltuma atgūšanu, mitrināšanas, dzesēšanas, sildīšanas, recirkulācijas sekcijām;
• Gaisa sadalītāji - difuzori, restes, perforēti auduma gaisa vadi – saskaņā ar tehnoloģiju un gaisa kustības ātrumu darba vietās;
• Gaisa vadi no cinkotā skārda, auduma gaisa vadi;
• Mainīgas gaisa plūsmas vārsti vadībai pēc CO2 līmeņa, klātbūtnes sensoriem, laika grafika.
Klimata kontroles sistēma
• Divcauruļu / četrcauruļu industriālie fankoili;
• Split sistēmas;
• VRF sistēmas;
• Čillera sistēmas;
• Mitrināšana (adiabātiska, tvaika);
• Sausināšana (kondensācijas, adsorbcijas).
Siltummehānika
• Pieslēgums centrālās siltumapgādes tīkliem;
• Siltuma sūkņi (ģeotermālie, zemes, gaisa);
• Saules kolektori;
• Dažāda veida kurināmā sistēmas (gāzes katli, granulas, šķelda);
• Bivalentās jeb kombinētās sistēmas - no diviem dažādiem enerģijas avotiem.








