PUBLISKĀS ĒKAS
PUBLISKĀS ĒKAS
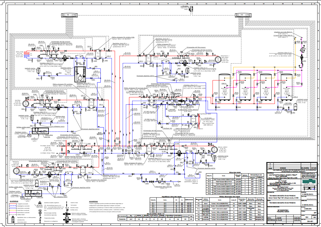
Publisko ēku AVK, SM tehniskie risinājumi:
Apkure
• Radiatori;
• Siltās grīdas;
• Grīdu konvektori ar / bez iebūvētiem ventilatoriem;
• Gaisa apstrādes iekārtu pieplūdes gaiss;
• Sienu, griestu paneļi;
• Sildventilatori;
• Cauruļvadi montēti atklāti un slēpti.
Ventilācija
• Modulāras gaisa apstrādes iekārtas ar siltuma atgūšanu, mitrināšanas, dzesēšanas, sildīšanas, recirkulācijas sekcijām;
• Gaisa apstrādes iekārtas ar pretkorozijas pārklājumu un sausināšanas, sildīšanas sekcijām baseina / SPA zonā.
• Gaisa sadalītāji - difuzori, restes, grīdās vai sienās montētas šlices, perforēti auduma gaisa vadi – saskaņā ar interjera risinājumiem
• Gaisa vadi no cinkotā skārda, polietilēna ar antistatisku, antibakteriālu pārklājumu, auduma gaisa vadi;
• Mainīgas gaisa plūsmas vārsti vadībai pēc CO2 līmeņa, klātbūtnes sensoriem, laika grafika;
• Gaisa sadales sistēmas montētas atklāti un slēpti.
Klimata kontroles sistēma
• griestu kasetes;
• hi-wall iekārtas;
• Gaisa vados montēti fankoili;
• Split sistēmas;
• VRF sistēmas;
• Čillera sistēmas;
• Mitrināšana (adiabātiska, tvaika);
• Sausināšana (kondensācijas, adsorbcijas);
• Cauruļvadi montēti atklāti un slēpti.
Siltummehānika
• Pieslēgums centrālās siltumapgādes tīkliem;
• Siltuma sūkņi (ģeotermālie, zemes, gaisa);
• Saules kolektori;
• Gāzes katli;
• Bivalentās jeb kombinētās sistēmas - no diviem dažādiem enerģijas avotiem.




















